Pneumàtica
Aplicacions de la pneumàtica
Es fan servir de manera massiva en processos i automatismes industrials que requereixen la manipulació i desplaçament d'obejectes.
-Industria en general
-Control d'obertura i tancament de portes (ex autobusos)
-Neteja a pressió (bufadors i aspiradors
-Pintura
-Freses en consultoris odontològics
-Elevació de càrregues en muntacàrregues
Components Principals
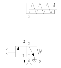
-Actuadors lineals, actuadors rotatoris
-Vàlvules, manuals, de control fluix, de accionament mecànic, vàlvules pilotades
La pneumàtica és la part de la tecnologia que fa servir l'aire comprimit per produir un treball útil.
Unitats de mesura
-Atmósfera atm
-Bares Bar
Kg/cm2
-metro columna de agua mca
-Libra por pulgada cuadrada PSI
-Kilopascal KPa (SI)
